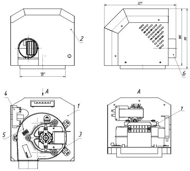
Турбонасадка «Лемакс» – устройство, обеспечивающие принудительный отвод продуктов сгорания. Установка турбонасадки позволит исключить организацию стационарного дымохода и может стать идеальным решением в условиях, когда монтаж дымохода затруднен, или невозможен.
Турбонасадка «Лемакс» Comfort SE (L) является дополнительным оснащением к стальным газовым одноконтурным и двухконтурным котлам «Лемакс» с автоматикой безопасности SIT 820 NOVA, серии «Премиум N», а также чугунным газовым котлам «Лемакс» серии «Лидер N» мощностью от 20 до 30 кВт с диаметром дымохода 130 мм и аппарату отопительному газовому Premier мощностью 17,4 кВт с диаметром 130 мм.
Поставляется вместе с комплектом проводов для установки турбонасадки.Решение купить турбонасадку «Лемакс» является идеальным решением для экономии денежных средств на организации стационарного дымохода.
| Разрежение создаваемое приставкой, Па | 5-12 |
| Давление на выходе из приставки, Па | 40-70 |
| Диаметр дымохода, мм | 130 |
| Диаметр отводящего патрубка, мм | 80 |
| Номинальное напряжение электросети, В | 220 |
| Номинальная частота тока, Гц | 50 |
| Шум, Дб, не более | 50 |
| Потребляемая электрическая мощность, Вт, не более | 40 |
| Масса, кг | 3,5 |
Паспорт для Турбонасадка «Лемакс» Сomfort SE (L) ?130 мм, для котлов от 20 до 30 кВт

Размещение дымоходной трубы:


ТП - термостат предохраниетельный
ТР - термостат регулируемый
Схема турбонасадки "Лемакс" для энергонезависимого котла

ТП - термостат предохраниетельный
ТР - термостат регулируемый
ВТ - вентилятор
ПТ - пресостат (реле давление воздуха)
РП - реле промежуточное
Схема подключения турбонасадки «Лемакс» к котлу с автоматикой безопасности SIT 820 Nova и блоком задержки времени (пускатель ПМЛ 1100 и приставка ПВЛ-22(21)

ТП - термостат предохраниетельный
ТР - термостат регулируемый
БЗВ - Блок задержки времени
Схема турбонасадки "Лемакс" для энергонезависимого котла

ТП - термостат предохраниетельный
ТР - термостат регулируемый
ВТ - вентилятор
ПТ - пресостат (реле давление воздуха
Схема подключения турбонасадки «Лемакс» к котлу с автоматикой безопасности SIT 820 Nova

ТП - термостат предохраниетельный
ТР - термостат регулируемый
Комплект проводов для подключения турбонасадки «Лемакс»

Р - розовый
Б - белый
Г - голубой
К - красный
Ж/З желто-зеленый

1. Провод №5 отсоединить от разъема №7.
2. Провод №5 соединить с проводом №3.
3. Провод №6 отсоединить от разъема №8.
4. Провод №6 соединить с проводом №4.
5. Провод №1 подключить к разъему №7.
6. Провод №2 подключить к разъему №8
0 отзывов
Пока нет комментариев
Напишите свой отзыв